コンテンツへスキップ
ナビゲーションに移動
ホーム
HOME
私たちの強み
ADVANTAGE
事業案内
SERVICES
事 例
PRODUCTS
よくある質問
FAQ
企業情報
COMPANY
カタログ
CATALOG
お問い合わせ
CONTACT US
メディア
HOME
メディア
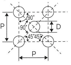
45°千鳥
2025年8月18日
/ 最終更新日時 :
2025年8月18日
saito-admin
45°千鳥
MENU
ホーム
私たちの強み
事業案内
事 例
よくある質問
企業情報
カタログ
お問い合わせ
PAGE TOP